
Art.Nr.: FAS-AS1509450
Dynamische Propellerauswuchtung.
Speziell für Rotax 912-Serie! Rotax 912 und 912 S und 914 Turbo.
Im äußeren Kranz sind bewegliche Auswuchtgewichte integriert die durch die Fliehkraft automatisch an die unwuchte Stelle gelangen. Der Motorlauf ist um ein vielfaches ruhiger, da er ständig im optimalen Auswuchtzustand läuft.
Die Auswuchtscheibe wird direkt am Propellerflansch hinter den Spinner montiert. Sie haben so eine ständige Auswuchtung am Propeller!
Zur Veranschaulichung schauen Sie die Bilder an.
Das Prinzip wird auch hier gut erklärt: youtube.com/watch?v=ullnFQD4F1I
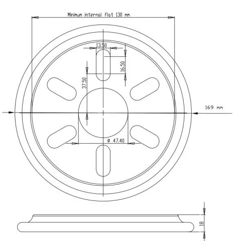
Maße: Siehe Maßbild
Gewicht: 350 Gramm