
Art.Nr.: 70191-70
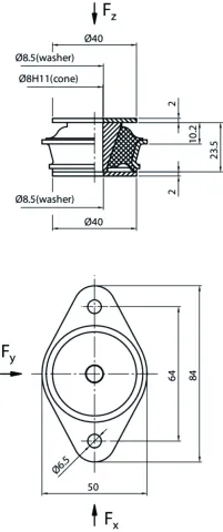
Motorträgerlager
Motorträgergummi u.a. für FK9, FK14, Cosmos, Air Creation
Härtegrad: 70
Lieferumfang: 1 Stück
Der Hersteller empfielt den Wechsel der Motorgummis nach 10 Jahren oder 1000 Std. (je nach dem was zuerst eintritt)
